Complete Solution
Need installation, maintenance, or a bundled quote?
Our engineers can help with product selection, system design, installation, and ongoing service — all from one partner.
Quick Inquiry
BeckettBurners
AvailableBeckett: RF Oil, Biodiesel, and Renewable Diesel Burner 0.38 to 1.75 GPH | AC Power
SKU 3G-BKT-00017
Worldwide Shipping
Sign in to view pricing
Create a free account to submit your RFQ and download technical documents.
Pair with a Service
Solutions Engineering
Need guidance on product selection or system design?
Contact Our Engineering TeamBeckett Products
3G Electric (S) Pte. Ltd. — Singapore
Product Description
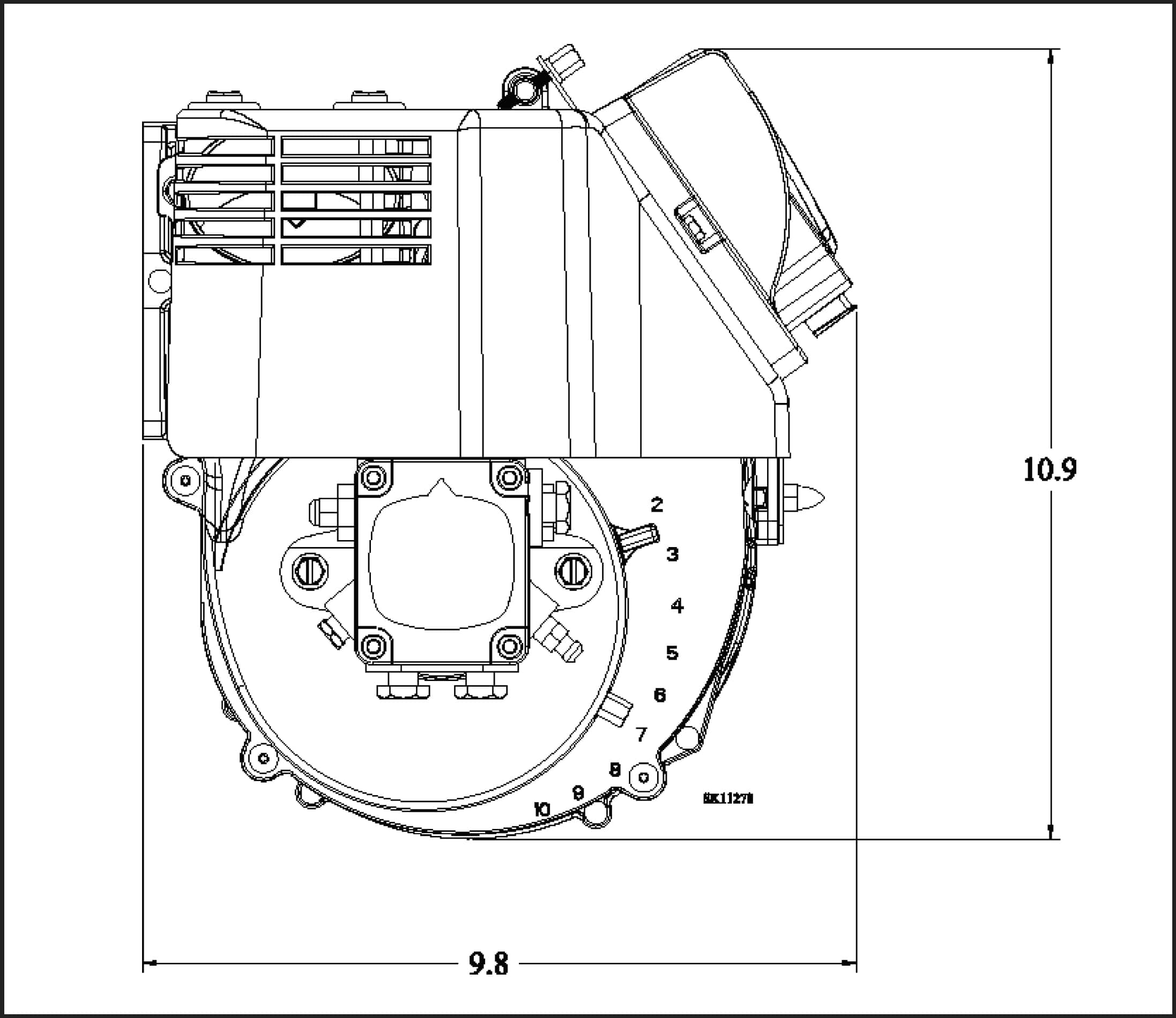
Beckett RF burner engineered for commercial and residential heating using standard oil, biodiesel, or renewable diesel fuels up to B100/R100, with AC power operation across 0.38–1.75 GPH firing rates.
Key Features
- Compatible with No. 2 oil, B100 biodiesel, and R100 renewable diesel
- UL Listed for 100% biodiesel operation
- Firing range 0.38–1.75 GPH across two models (RF101, RF102)
- Quiet operation with increased air capacity and optimized airflow
- Interchangeable air guides (red, white, blue) for low, mid, and high firing rates
- Adjustable flange with 0° and 2° pitch options for flexible installation
- Isolated fuel pump and fresh air intake to prevent oil ingestion
- Fuel Agnostic Combustion Technology (F.A.C.T.) for seamless fuel transitions
- Modular design using standard Beckett replacement components
- Optional combustion air proving and external air adapter kits
- Easy z-dimension setting via nozzle line flush alignment
- Integrated control and igniter on single plate for simplified service access
- 5-year manufacturer warranty
Beckett Products
3G Electric supplies Beckett burners. We supply genuine products with in-stock availability on common SKUs, technical documentation, commissioning support, and warranty service — worldwide.
You might also need
More from BECKETT
View all BECKETT parts →Need a complete solution?
Product selection, system design, installation, and ongoing maintenance — all from one partner.









